اللاب توب ميت او المازربورد ديد تقال عندما لايشعر الجهاز با اى باور خالص و كانة با الفعل قطعه من الحديد و لا يوجد اى مواشل يدل ان اللاب توب يعمل او به جهد واصل مثل لا يوجد اى ليد ينور . الفانة لا تدور او اى شى من هذا القبيل .
طريقة تتبع مثل هذا العطل
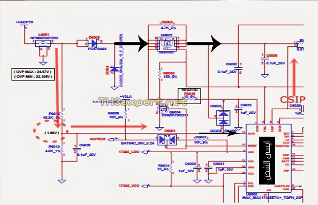
لكى يعمل اللاب توب يجب التاكد من دخول الفولت القادم من الشاحن سواء كان (12V_15V_16V_18.5V_19V_20V) هذا الفولت مطلوب ان يكون موجود على المازربورد
لبد ايضاً من توافر الجهد 3V و 5V فى دائراة الباورسيستم ليتم اكتمال الجهد VALW .
من غير ال ADP+ مستحيل تعمل المازربورد لذلك يرجى التاكد من خروج الجهد من الباور جاك وخروجه من الموسفيت من نوع P channel سويتش الشاحن ايضاً التاكد من موسفيت من نوع P channel سويتش البطارية .
و التاكد من خطوت خرج تلك الموسفيتات لنها تسمى خط ال VALW اكثر الاعطال من هذا القبيل قد تاتى من تلك السويتشات عندما يتم قطع الجهد عن هذه الموسفيتات ربما هناك قبلها بعض الفيوزات او الدايود تالف فا يجب فحص العناصر على خط التغذيه قبل الحكم على تلف الموسفيت .
ايضاً عندما يكون هناك اى شورت على خطوط الVALW تكون الحاله ان اللاب توب ميت او المازربورد ديد
ايضاً يجب التاكد من ورفع قياس على رجل ايسى الشحن على البن ACIN لانة عند تلف الجهد على هذا البن يتوقف ايضاً اللاب توب عن العمل
من بعد التاكد من كل ما سبق و التاكد من خطوط الVALW يجد قياس و التاكد من +3V run و +3VSUS و فى مقاله جديده ان شاء الله سنتعرف حل حل الشورت على خطوط ال VALW و ايضاً فحص وتتبع +3V run و ال SUS

